全国2008年10月高等教育自学考试计算机通信接口
课程代码:02369
说明:接口芯片的控制字请参阅附录.
一、单项选择题(本大题共13小题,每小题1分,共13分)
在每小题列出的四个备选项中只有一个是符合题目要求的,请将其代码填写在题后的括号内.错选、多选或未选均无分.
1.属于PC系统中输入输出控制方式的是( )
A.存储器映象
B.隔离I/O
C.程序控制I/O
D.并行I/O
2.在I/O端口写周期时序中,不起作用的信号是( )
A.ALE
B.D0~D7
C.A0~A9
D.
3.DMA控制方式中需要用到的一对联络信号是( )
A.HLDA/HRQ
B.INT/
C.
D.
4.在IBM PC/XT的设计中,为扩大外部可用的中断源,使用的中断控制器Intel 8259A的数量是( )
A.1片
B.2片
C.3片
D.4片
5.8088 CPU所能寻址的存储空间为1MB,地址范围是( )
A.00000H~FFFFFH
B.00000H~0FFFFH
C.00000H~FFFF0H
D.00000H~03FFFH
6.系统启动后,60H型中断向量被置于内存的4个单元的地址是( )
A.240H~243H
B.240~243
C.180H~183H
D.180~183
7.关于GPIB系统中各个信号,描述正确的是( )
A.DAV信号由作用的听者设备发送,由作用的讲者设备接收
B.NRFD和NDAC信号由作用的讲者设备发送,由作用的听者设备接收
C.NRFD和NDAC信号的发送器件必须是集电极开路器件
D.DAV信号的发送器件不可以采用集电极开路器件
8.Centronics接口中,有关"正常数据输入时序"数据传送中的握手联络信号是( )
A.
和BUSY
B.
和
C.
和BUSY
D.Data1~Data8和
9.异步串行通信传送的每个字符中停止位有( )
A.0~1个
B.1个
C.1~2个
D.1~3个
10.同步串行通信接收方的接收时钟( )
A.是从接收数据中分离出来的
B.来自于独立的局部时钟
C.来自于独立的接收时钟
D.是与发送方事先约定的
11.CPU通过8250采用查询方式发送数据之前首先要查询( )
A.接收移位寄存器是否空
B.数据格式是否正确
C.数据缓冲寄存器是否空
D.发送保持寄存器是否空
12.8254内部独立的16位计数器通道有( )
A.1个
B.2个
C.3个
D.4个
13.关于8254工作方式2与工作方式3,描述正确的是( )
A.两者都可产生连续的输出信号
B.两者都可作为方波发生器
C.两者对计数器写入新的计数值,当前的计数周期都受影响
D.当GATE信号由高变低时,计数单元不停止计数
二、填空题(本大题共10小题,每小题1分,共10分)
请在每小题的空格中填上正确答案.错填、不填均无分.
14.计算机领域内,有两种数据传送形式:并行传送和________传送.
15.在程序控制I/O方式中,CPU先读入________信息,判断外设是否准备好,只有在外设准备好了之后,CPU才执行输入/输出指令读入或写出数据.
16.IBM PC/XT的中央处理器类型是Intel________CPU,它在主板上,是整个微机系统运行的核心.
17.ISA总线信号中,________信号为低时,表明I/O通道上有一个要使用系统总线的设备.此信号与DRQ线一起使用,控制系统.
18.GPIB最重要的特点,就是可使一个接口连接多到________个设备(不包括计算机).
19.单线握手联络仅能传递数据________方的状态控制信息.
20.RS-232接口标准允许的传输速率限制在________bit/s 以下.
21.异步串行通信中,通信双方在通信之前必须在字符格式和________方面事先有约定.
22.8254内部结构中,________模块的任务是接收来自CPU的控制信号,完成对8254的读写操作.
23.8254工作在方式4时,若GATE信号为高电平,则计数操作是从________开始的.
三、画图题(本大题共4小题,每小题5分,共20分)
24.题24图是具有中断驱动方式的输入接口电路.请在空缺处填入相应的内容,使其功能完整.
题24图
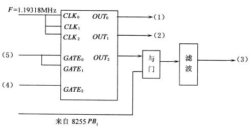
25.题25图是8254在IBM PC/AT系统板上应用示意图.
题25图
请在空格上注明3个计数器的最终输出去向以及GATE0、GATE1、GATE2的输入来源.
(1)_________________ (2)_________________
(3)_________________ (4)_________________
(5)GATE0和GATE1接至_________________.
26.题26图是二线握手联络并行输出接口方框图.请在空格上填入相应的内容,使其结构完整.
题26图
(1) _________________ (2) _________________
(3) _________________ (4) _________________
(5) _________________
27.题27图是一异步串行通信发送的一帧数据的前几位,请画出接收方的时钟同步检测与采样过程(设K=16).
题27图
四、编程题(本大题共5小题,每小题5分,共25分)
28.PC/AT机可屏蔽中断结构使用两片8259A中断控制器串级构成.下面是一个关于IRQ9的中断子程序,响应中断后,向端口200H送出5FH,请完成该程序.
BREAK PROC FAR
PUSH AX
PUSH DX
MOV AL,5FH
MOV DX,200H
OUT DX,AL
MOV AL,20H
(1)_____
(2) _____;结束中断
(3) _____;恢复现场
(4) _____
(5) _____;中断返回
BREAK ENDP
29.设82C55端口A工作于方式0输入,端口C工作于方式0输出,下面子程序完成将端口A上的数据读入并通过端口C输出.请完成该程序(设82C55端口地址为204H~207H).
82C55 PROC FAR
MOV DX, (1)_____
MOV AL, (2) _____
OUT DX,AL ;初始化82C55
MOV DX,(3) _____;读入端口A的数据
IN AL,DX
MOV DX, (4) _____
OUT DX,AL ;端口C输出数据
(5) ;子程序返回
82C55 ENDP
30.8254计数器2的输入时钟是4MHz.译码器提供8254的地址为200H~203H,要求计数器2输出2KHz方波,试将下面8254的初始化程序段补充完整.
MOV D
[1]
